Stroomtransformator CT
Nulsequentie CT-stroomtransformator Donut-type
  • Nulsequentie CT-stroomtransformator Donut-typeNulsequentie CT-stroomtransformator Donut-type
  • Nulsequentie CT-stroomtransformator Donut-typeNulsequentie CT-stroomtransformator Donut-type

Nulsequentie CT-stroomtransformator Donut-type

Om een ​​solide kwaliteit zero sequence ct stroomtransformator donut-type te produceren, gebruikt Wenzhou XiFa Electric Power Equipment Co., Ltd grondstoffen met een goede kwaliteit en een concurrerende prijs. Tijdens het wikkelen gebruikt Wenzhou XiFa zuurstofvrije kopergeëmailleerde draad om de elektrische geleidbaarheid en mechanische sterkte te garanderen voor elk nulsequentie ct stroomtransformator donut-type. Ondertussen gebruikt Wenzhou XiFa tijdens het kernproductieproces siliciumstaalplaten met een hoge magnetische permeabiliteit om uitstekende prestaties te behouden op het gebied van gevoelige respons op kleine nulsequentiestroom.

Een CT-stroomtransformator met nulsequentie is een apparaat met één winding en een kern dat in energiesystemen wordt gebruikt om stromen met nulsequentie te bewaken. Het dient als een cruciaal onderdeel van beschermende relaissystemen, die voornamelijk worden gebruikt voor het detecteren van aardfouten, lekstromen en isolatiebewaking. Door de vectorsom van driefasige stromen en de resulterende nulsequentiestroom te meten, kan de nulsequentie-ct-stroomtransformator beveiligingsoperaties activeren en communiceren met aardingsschakelaars voor lage stroomsterkte, digitale harmonische onderdrukkingsapparaten en relaisbeveiligingseenheden om foutwaarschuwingen te geven en de stroom uit te schakelen.

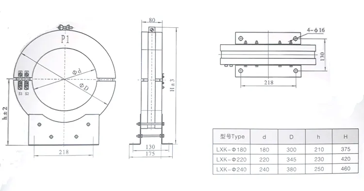
Structureel gezien bestaat de zero sequence ct-stroomtransformator uit een toroïdale kern en secundaire wikkeling ingekapseld in een behuizing van epoxyhars of siliconenrubber, die bescherming biedt tegen vocht en overslag door vervuiling. Installatiemogelijkheden zijn onder meer solide, waarvoor vooraf aangelegde kabels nodig zijn, en ontwerpen met gesplitste kern, die retrofit mogelijk maken zonder kabels los te koppelen.

Het is compatibel met 50 Hz-voedingssystemen, die de gevoeligheid en lineariteit bieden die nodig zijn voor verschillende neutrale puntconfiguraties, inclusief geaarde en niet-geaarde systemen. Nulsequentie-ct-stroomtransformatoren worden op grote schaal toegepast in slimme netwerken, spoorwegvervoer, elektrische systemen in gebouwen en monitoring van industriële apparatuur, om betrouwbare foutdetectie en systeembescherming te bieden.

Zero Sequence Ct Current Transformer Donut TypeZero Sequence Ct Current Transformer Donut Type

Type Type relais Verbindingsmethode Schaalwaarde Primaire stroom Type Type relais Verbindingsmethode Schaalwaarde Primaire stroom
LXK-Φ80 LXK-Φ100 LXK-Φ120 LXK-Φ150 DD11/60 Serie 15*1 2,4-4,5 LXK-Φ180 LXK-Φ220 LXK-Φ240 DD11/60 Serie 15*1 2,4-4,5
30*1 30*1
Parallel 15*2 3-5 Parallel 15*2 3-5
30*2 30*2
DD1/60 Serie 15*1 3-5 DD1/60 Serie 15*1 3-5
30*1 30*1
Parallel 15*2 3-6 Parallel 15*2 3-6
30*2 30*2

Zero Sequence Ct Current Transformer Donut Type

Veelgestelde vragen over producten:

Vraag: Wat is een ct-stroomtransformator met nulsequentie van het donuttype?

Een CT-stroomtransformator met nulsequentie van het donuttype is een kernapparaat dat is ontworpen om nulsequentiestromen in driefasige systemen te detecteren. Dankzij de toroïdale kern kan de primaire geleider door het midden lopen, waardoor een niet-intrusieve bewaking van aardfouten, lekstromen en isolatieomstandigheden mogelijk wordt.

Vraag: Hoe werkt het uitgangssignaal van het donut-type nulsequentie ct-stroomtransformator?

A: De nulsequentie ct-stroomtransformator van het donuttype zet nulsequentiestroom om in een proportionele spanning of secundaire stroom met behulp van zeer nauwkeurige wikkeling en Rogowski-spoeltechnologie. Deze uitgang is compatibel met relais, meters en bewakingssystemen voor snelle en nauwkeurige foutdetectie.

Vraag: Wat zijn de typische toepassingen van een nulsequentie ct-stroomtransformator van het donuttype?

A: een ct-stroomtransformator met nulsequentie van het donuttype wordt vaak gebruikt in:

1. Aardfoutbeveiliging en lekstroomdetectie;

2. Neutrale puntbewaking in stroomdistributiesystemen;

3. Integratie met digitale beveiligingsrelais, harmonische onderdrukkingsapparatuur en slimme netwerkbewakingssystemen.

4. Industriële apparatuur, aanleg van elektrische netwerken en spoorwegvervoersystemen.




Hottags: CT-stroomtransformator met nulsequentie, CT van het donuttype, transformator voor aardfoutbeveiliging
Stuur onderzoek
Contact informatie

Om uw offerte zo snel mogelijk te ontvangen

XiFa - uw betrouwbare leverancier van elektrische apparatuur
X
We gebruiken cookies om u een betere browse-ervaring te bieden, het siteverkeer te analyseren en de inhoud te personaliseren. Door deze site te gebruiken, gaat u akkoord met ons gebruik van cookies. Privacybeleid
Afwijzen Accepteren