Stroomtransformator CT
Wondtype 5p10 5p20 Ct 100 150 400 5a
  • Wondtype 5p10 5p20 Ct 100 150 400 5aWondtype 5p10 5p20 Ct 100 150 400 5a

Wondtype 5p10 5p20 Ct 100 150 400 5a

Om potentiële transformatoren en stroomtransformatoren van hoge kwaliteit te leveren, ondersteunt Wenzhou XiFa Electric Power Equipment Co., Ltd service op maat aan klanten, zoals de productie en levering van wondtype 5p10 5p20 ct 100 150 400 5a. Bij WenZhou XiFa Electric houdt het productieteam de inventaris bij van stroomtransformatoren van het reguliere type, zoals een 100/5a 10p10 0,5 stroomtransformator, om een ​​snelle levering te garanderen. Het bedrijf ondersteunt echter maatwerk om aan verschillende elektriciteitsbehoeften te voldoen, zoals een voedingsstroomtransformator waarvan de beschermingsklasse 5p10 of 5p20 is.

De stroomtransformator van het gewikkelde type is ontworpen voor betrouwbare stroommeting en bescherming in middenspanningssystemen zoals 10kv, 20kv en 35kv. Verkrijgbaar in stroomverhoudingen van 100/5A, 150/5A en 400/5A, en met beschermingsnauwkeurigheidsklassen van 5P10 en 5P20, biedt dit wondtype 5p10 5p20 ct 100 150 400 5a een nauwkeurige secundaire stroomuitgang die geschikt is voor zowel meet-, meet- als beveiligingsrelaistoepassingen.

De stroomtransformator van het gewikkelde type is vervaardigd met massieve magnetische kernen en secundaire spoelen en zorgt voor stabiele prestaties onder kortsluitingsomstandigheden en levert nauwkeurige stroomtransformatie, zelfs tijdens transiënte gebeurtenissen. Het robuuste isolatiesysteem, waarin vaak epoxy of hoogwaardige hars is verwerkt, zorgt voor veiligheid, een lange levensduur en weerstand tegen vocht en omgevingsinvloeden.

Het gewikkelde ontwerp maakt flexibele installatie in schakelapparatuur, bedieningspanelen en verdeelborden mogelijk, om betrouwbare ondersteuning te bieden voor relaisbeschermingsschema's. De stroomtransformator van het gewikkelde type is ideaal voor industriële installaties, commerciële faciliteiten en nutsdistributienetwerken waar nauwkeurige en betrouwbare stroommetingen essentieel zijn voor zowel operationele monitoring als beschermende controle.

Wound Type 5p10 5p20 Ct 100 150 400 5a

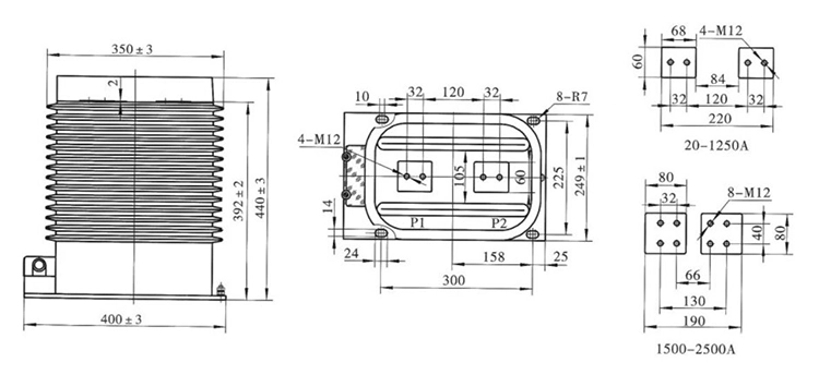
Technische specificatie:

Type Primaire nominale stroom (A) Nauwkeurigheidsklasse Nauwkeurigheidsklasse en nominaal vermogen cosΦ=0,8 Korte thermische stroom (kA/S) Nominale dynamische stroom (kA)
0,2 (s) 0,5 (s) 10P10
LZZBJ9-35 20-100 0,2/0,2 0,2/0,5 0,2/5P20 0,5/5P20 0,2/0,5/5P 0,2/5P/5P 10 10 15 150I1n 375I1n
150-200 31.5 80
300-500 31,5/2 80
600-1250 15 30 20 31,5/4 80
1500-2000 20 40 30 40/4 125
2500 20 40 20 40/4 125


Type Primaire nominale stroom (A) Nauwkeurigheidsklasse Capaciteit (VA) Korte thermische stroom (kA/S) Nominale dynamische stroom (kA)
LZZBJ9-35 10 0,2/10P10 0,5/10P10 0,2/5P20 0,5/5P20 0,2/0,5/10P10 0,2/0,5/5P20 0,2/10P10/5P20 0,5/10P10/5P20 15/20 20/20 15/20 20/20 15/20/20 15/20/20 15/20/20 20/20/20 1,5/1 3.75
20 2/1 5
30 3/1 7.5
40 4/1 10
50 5/1 12.5
75 7,5/1 18.75
100 10/1 25
150 15/1 37.5
200 20/1 50
300 31,5/1 80
400 31,5/2 80
500 31,5/2 80
600 31,5/2 80
800 31,5/3 80
1000 31,5/3 80
1200 31,5/3 80
1500 31,5/3 80
2000 31,5/3 80

Wound Type 5p10 5p20 Ct 100 150 400 5a

Veelgestelde vragen over producten:

Vraag: Wat betekent “wondtype 5P10” of “5P20” bij een wondtype 5p10 5p20 ct 100 150 400 5a?

A: De term 'gewikkeld type' verwijst naar CT's waarbij de primaire geleider een gewikkelde wikkeling is in plaats van een stroomrail of staaf door de kern. De klasse 5P10 of 5P20 geeft de nauwkeurigheid van de bescherming aan: 5P betekent een fout van maximaal 5% bij de nominale secundaire stroom, en het getal 10 of 20 is het maximaal toegestane kortetermijnveelvoud van de nominale primaire stroom zonder de gespecificeerde fout te overschrijden.

Vraag: Hoe kies ik de juiste CT-classificatie voor mijn systeem?

A: Selecteer een CT op basis van de maximale belastingsstroom en beveiligingsvereisten van uw systeem. Een CT van 100/5A is bijvoorbeeld geschikt voor circuits met typische stromen van ongeveer 100 A, terwijl 400/5A is ontworpen voor feeders met een hogere stroomsterkte. Kies een beschermingsklasse (5P10 of 5P20) op basis van de foutdetectiegevoeligheid van het relais en de verwachte kortsluitstroom.

Vraag: Welke omgevingsomstandigheden kunnen wondtype 5p10 5p20 ct 100 150 400 5a aan?

A: Deze stroomtransformatoren van het gewikkelde type zijn doorgaans geschikt voor omgevingstemperaturen van –10 °C tot +40 °C, met een maximale hoogte van 1000 m. Behuizingsmaterialen en isolatiesystemen zijn ontworpen voor een vocht-, stof- en vervuilingsbestendige werking, om betrouwbare beschermingsprestaties in industriële en nutsomgevingen te garanderen.




Hottags: Wondtype 5p10 5p20 Ct 100 150 400 5a, leverancier van stroomtransformatoren, groothandel in meettransformatoren
Stuur onderzoek
Contact informatie

Om uw offerte zo snel mogelijk te ontvangen

XiFa - uw betrouwbare leverancier van elektrische apparatuur
X
We gebruiken cookies om u een betere browse-ervaring te bieden, het siteverkeer te analyseren en de inhoud te personaliseren. Door deze site te gebruiken, gaat u akkoord met ons gebruik van cookies. Privacybeleid
Afwijzen Accepteren